Technikbericht: Kernunterschiede zwischen Single‑ und Dual‑System unsichtbarer Fernschlösser

Als zentrale Innovation der modernen physischen Sicherheitstechnik lassen sich intelligente unsichtbare Fernschlösser in zwei Architekturen einteilen: Single‑System und Dual‑System. Beide unterscheiden sich deutlich in Zuverlässigkeit, Sicherheit und Lebensdauer – Faktoren, die das Nutzererlebnis und die tatsächliche Sicherheit maßgeblich beeinflussen.

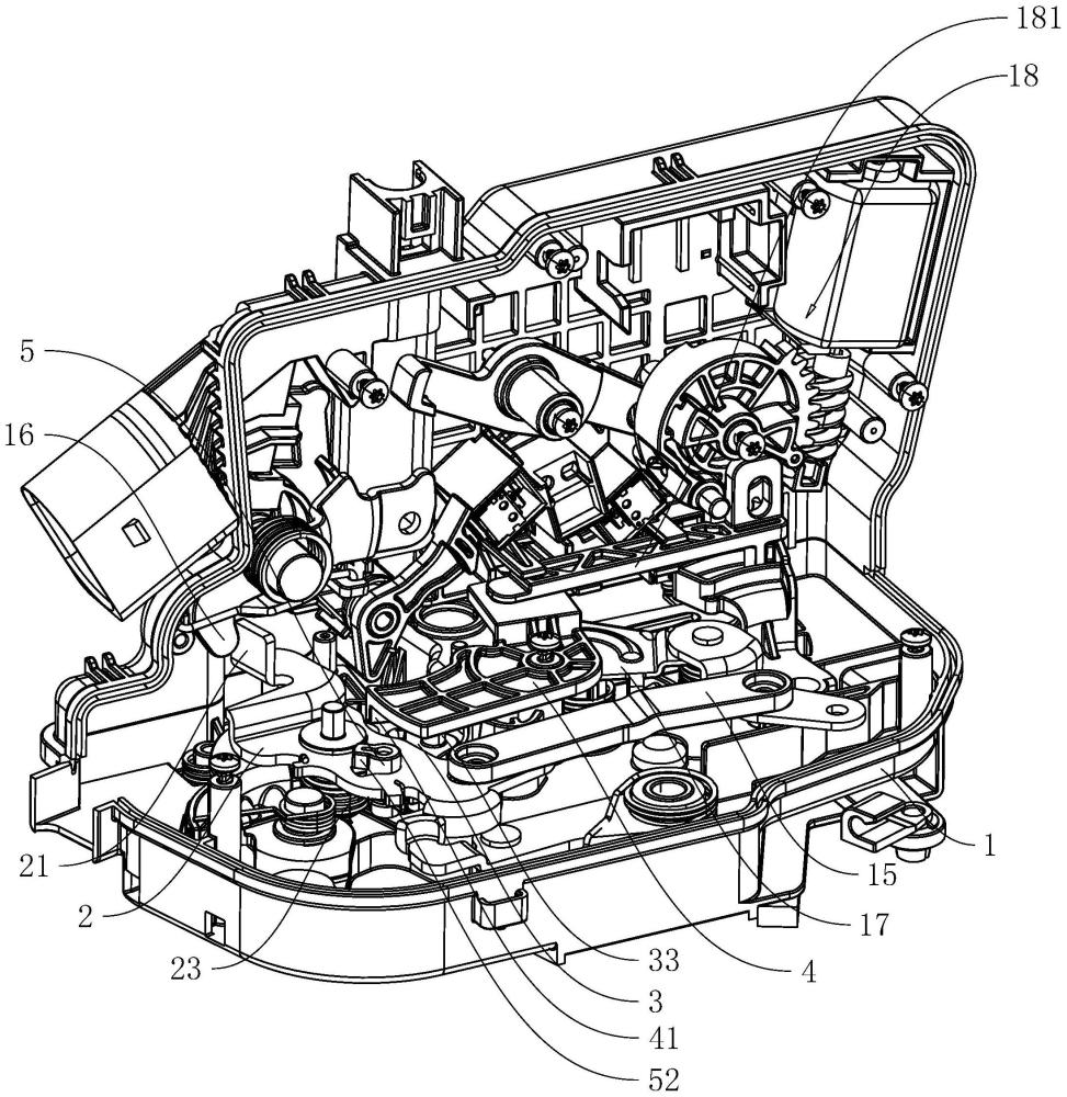
Dual‑System unsichtbares Smart‑Lock – interne Struktur
Abb. 1: Interne Struktur eines Dual‑System unsichtbaren Smart‑Locks

1. Single‑System Smart‑Invisible‑Remote‑Lock – technische Merkmale

Single‑System‑Schlösser verwenden eine einzelne PCB‑Platine und einen einzelnen Motor. Dieses kostengünstige Design ist weit verbreitet, weist jedoch klare technische Grenzen auf:

  • Single Point of Failure: das gesamte Schloss hängt von nur einer PCB und einem Motor ab
  • Zuverlässigkeitsrisiko: fällt eine der beiden Komponenten aus, kann die Tür nicht geöffnet werden
  • Hohe Reparaturkosten: professionelle Wartung erforderlich; Schloss bleibt währenddessen unbenutzbar
  • Großer Marktanteil: aufgrund des niedrigen Preises bieten viele Marken weiterhin nur Single‑System‑Produkte an

2. Dual‑System Smart‑Invisible‑Remote‑Lock – technische Vorteile

WAFU konzentriert sich auf die Entwicklung von Dual‑System‑unsichtbaren Fern‑Anti‑Diebstahl‑Schlössern, die zwei PCBs und zwei Motoren verwenden:

  • Duale Redundanz: zwei unabhängige Systeme laufen parallel und sichern sich gegenseitig ab
  • Automatisches Fail‑Over: fällt das Hauptsystem aus, übernimmt das Backup innerhalb von 0,3 s
  • Echte Null‑Ausfall‑Zielsetzung: verhindert Lock‑Outs durch Ausfall einzelner Komponenten
  • Längere Lebensdauer: Lastverteilung reduziert den Verschleiß

3. Zentrale Innovationen der WAFU Dual‑System Technologie

WAFU hat mehrere branchenführende technische Durchbrüche erzielt:

  • Intelligente Fehlererkennung: Echtzeitüberwachung beider Systeme mit Frühwarnmeldungen
  • Nahtloses Umschalten: Wechsel erfolgt unmerklich und ohne Einfluss auf den Betrieb
  • Lastverteilungs‑Algorithmus: intelligente Arbeitsverteilung verhindert vorzeitige Alterung
  • Modulares Design: defekte Module können einzeln ersetzt werden – geringere Wartungskosten

4. Mehrere Öffnungsmethoden moderner unsichtbarer Fernschlösser

Moderne unsichtbare Smart‑Locks bieten verschiedene Öffnungsmethoden für unterschiedliche Szenarien:

4.1 Fernbedienungs‑Entriegelung

  • Rolling‑Code‑Technologie verhindert Signal‑Kloning
  • Effektive Reichweite 15–20 m für komfortable Bedienung
  • Mehrere Fernbedienungen für Familienmitglieder

4.2 Mobile‑App‑Entriegelung

  • Verbindung über Bluetooth oder Wi‑Fi
  • Unterstützt Fernfreigabe und temporäre PINs
  • Echtzeit‑Benachrichtigungen informieren den Nutzer

4.3 Fingerabdruck‑Entriegelung

  • Halbleiter‑Lebendfinger‑Erkennung
  • <0,5 s Erkennung, FAR <0,001 %
  • Speichert mehrere Fingerabdrücke für Familienmitglieder

4.4 PIN‑Code‑Entriegelung

  • Virtuelle PIN verhindert Shoulder‑Surfing
  • Einmal‑Codes für Besucher
  • Automatische Sperre nach falschen Eingaben

5. Praktischer Nutzen der Dual‑System Technologie

WAFU Dual‑System‑Schlösser zeigen im Alltag klare Vorteile:

  • Privathaushalte: verhindert Lock‑Outs durch einzelne Defekte
  • Gewerbeobjekte: garantiert nutzbare Eingänge für Büros, Geschäfte und Lager
  • Mietobjekte: reduziert Beschwerden und Wartungskosten
  • Premium‑Immobilien: Sicherheitsniveau passend zum Immobilienwert

6. Branchentrends & technologische Zukunft

Mit der Weiterentwicklung der Smart‑Security‑Technologie bewegen sich unsichtbare Schlösser in folgende Richtungen:

  • Redundanz wird Standard: Dual‑ oder Multi‑System‑Architekturen werden zur Grundausstattung
  • Mehr Intelligenz: KI‑Algorithmen ermöglichen vorausschauende Wartung
  • Tiefere Integration: stärkere Einbindung in Smart‑Home‑Ökosysteme
  • Höhere Sicherheit: engere Verbindung von Biometrie und Verschlüsselung
„In der Smart‑Lock‑Branche ist Zuverlässigkeit ein wichtigeres Kernkriterium als Funktionen. Die Dual‑System‑Technologie von WAFU löst das Zuverlässigkeitsproblem an der Wurzel und bietet echte Sicherheit.“ —— F&E‑Direktor, WAFU Smart
WhatsApp
WhatsApp QR-Code

WhatsApp:

+86 19501835094

Telefon

Telefon: +86 19501835094

Nach oben